
HOLEX - Codoli a tenuta stagna, Forma B con foro %e2%8c%80 attacco nominale d mm 3
14,81 €
+ 9,90 €
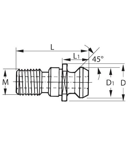
Descrizione Descrizione: Questo codolo di serraggio permette di trascinare il portautensili dal dispositivo di presa del mandrino per fissarlo saldamente nel mandrino stesso. Disponibile in diverse esecuzioni, costituisce un importante elemento di congiunzione tra macchina e utensile. I codoli di serraggio presentano requisiti molto elevati in termini di precisione, resistenza e affidabilità. Uso: * Per mandrini con attacco DIN 69871 e JIS B 6339 (MAS-BT). * Nei centri di lavoro (macchine con cambio utensili automatico). * Su macchine NC (macchine senza cambio utensili automatico). Nota: A tenuta stagna − con o-ring. La rispettiva chiave di serraggio con le relative aperture è disponibile nell'eShop. Durante il montaggio di AB, assicurarsi che la coppia di serraggio sia corretta. Dati tecnici Caratteristica di foratura con foro Norma codoli di serraggio ISO 7388 Tipo di prodotto Codolo Filettatura M M24 Apertura, mm 30 ⌀ Testa D1, mm 29,1 Lunghezza complessiva L, mm 65,5 Coppia di serraggio massima, Nm 150 L1, mm 25,55 Adatti per coni 50 Giunto di ⌀ D, mm 36 Adatti per coni con codice a colori SK 50 ...
Other options available on the web
Sold by | Item price | Delivery | Total price | |
---|---|---|---|---|
Metalworker.com | 14,81 € | 9,90 € | 24,71 € |